陶瓷霧化片 Atomization Piece
陶瓷晶振 Ceramic SMD crystal
陶瓷濾波器 CeramicFilter
聲表面濾波器|諧振器 SAW filter
千赫晶體KHZ KHz Crystal
石英晶振 Quartz Crystal
貼片晶振 SMD crystal
NJR晶振
應達利晶振
日本大真空晶體 KDS晶振
精工晶振 SEIKO晶體
日本村田陶瓷晶振
西鐵城晶振 CITIZEN晶振
愛普生晶振 EPSON晶振
NSK晶振 NSK晶振
大河晶振 大河晶振
CTS晶振 美國CTS晶振
TXC晶振 TXC晶振
鴻星晶振 鴻星晶振
加高晶振 加高晶振
百利通亞陶晶振 百利通亞陶晶振
泰藝晶振 泰藝晶振
京瓷晶振 京瓷晶振
NDK晶振 NDK晶振
希華晶振 希華晶振
富士晶振 富士晶振
MERCURY晶振
NAKA晶振
SMI晶振
安基晶振
NKG晶振
Renesas瑞薩晶振
ITTI晶振
CTS晶振
Abracon晶振
微晶晶振
瑞康晶振
FOX晶振
Statek晶振
ECS晶振
IDT晶振
高利奇晶振
SiTime晶振
日蝕晶振
康納溫菲爾德晶振
Jauch晶振
維管晶振
拉隆晶振
格林雷晶振
Pletronics晶振
AEK晶振
AEL晶振
Cardinal晶振
Crystek晶振
Euroquartz晶振
Frequency晶振
GEYER晶振
ILSI晶振
KVG晶振
MMDCOMP晶振
MtronPTI晶振
QANTEK晶振
QuartzCom晶振
QuartzChnik晶振
SUNTSU晶振
Transko晶振
WI2WI晶振
韓國三呢晶振
ARGO晶振
ACT晶振
Milliren晶振
韓國Lihom晶振
rubyquartz晶振
美國Oscilent晶振
韓國SHINSUNG晶振
PDI晶振
C-TECH晶振
IQD晶振
Microchip晶振
Fortiming晶振
CORE晶振
NIPPON晶振
NIC晶振
QVS晶振
Bomar晶振
Bliley晶振
GED晶振
FILTRONETICS晶振
STD晶振
Q-Tech晶振
Anderson晶振
Wenzel晶振
NEL晶振
EM晶振
德國PETERMANN晶振
荷蘭FCD-Tech晶體
HEC晶振
FMI晶振
Macrobizes晶振
德國AXTAL晶振
Silicon晶振
SKYWORKS晶振
石英晶體振蕩器 石英晶體振蕩器
壓控晶振 壓控晶振
溫補晶振 溫補晶振
壓控溫補晶振 壓控溫補晶振
恒溫晶振 恒溫晶振
差分晶振 差分晶振
32.768K有源晶振 32.768K有源晶振
座機: 0755-27876565
手機: 18924600166
E-mail:yijindz@163.com
QQ:857950243
地址:深圳市寶安區新安107國道旁甲岸路
石英晶體NZ2520SEA,NDK晶振,日本進口有源晶振
.jpg)
石英晶體NZ2520SEA,NDK晶振,日本進口有源晶振石英晶體振蕩器在設計時就與各款型號IC匹配等相關技術,使用IC與晶片設計匹配技術:是高頻振蕩器研發及生產過程必須要解決的技術難題.在設計過程中除了要考慮石英晶體諧振器具有的電性外,還有石英晶體振蕩器的電極設計等有它的特殊性,必須考慮振蕩器的供應電壓、起動電壓和產品上升時間、下降時間等相關參數.

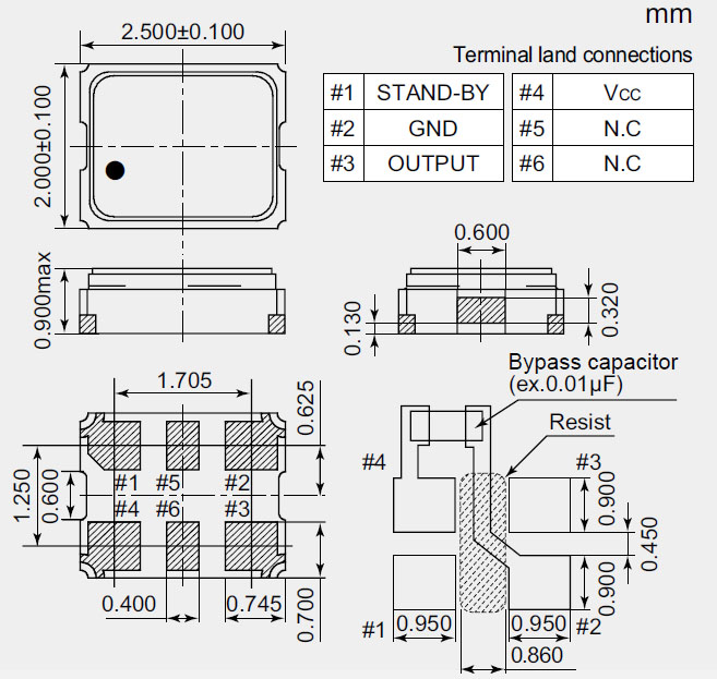
型號 | NZ2520SEA | |||
包裝(pcs) | 1000 | |||
頻率范圍(MHZ) | 2.75 to 54 | |||
頻率公差 | Max. ±25 ×10-6 | Max. ±50 ×10-6 | Max. ±100 ×10-6 | |
工作溫度 | 0 to +70 | 0 to +85 | 0 to +85 | |
保存溫度 | –55 to +125 | |||
電源電壓(V) | +2.5 ± 5 %, +3.3 ± 10 % | |||
電流消耗 |
Enable (mA) | Max. 60 (Typ. 36) (STAND-BY=VCC or OPEN, RL=50Ω) | ||
Stand-by (μA) | Max. 30 (STAND-BY=GND) | |||
輸出電壓(V) | VOL : VCC –1.81 to VCC 1.62 (DCcharacteristics) | |||
VOH : VCC –1.025 to VCC –0.88 (DC characteristics) | ||||
上升/下降時間(單位:納秒) | Max. 1 (20 to 80% Waveform) | |||
對稱(%) | 45 to 55 (at 50% Waveform) | |||
輸出負載(Ω) | 50 (Terminated to VCC–2.0V) | |||
相位抖動 | Max. 1 (Offset frequency : 12kHz to 20MHz) |
所有產品的共同點
1:抗沖擊
抗沖擊是指產品晶體可能會在某些條件下受到損壞.例如從桌上跌落,摔打,高空拋壓或在貼裝過程中受到沖擊.如果產品已受過沖擊請勿使用.因為無論何種晶體產品,其內部晶片都是石英晶振制作而成的,高空跌落摔打都會給晶振照成不良影響.
2:輻射
暴露于輻射環境會導致產品性能受到損害,因此應避免陽光長時間的照射.
3:化學制劑 / pH值環境
請勿在PH值范圍可能導致腐蝕或溶解產品或包裝材料的環境下使用或儲藏這些產品.
4:粘合劑
請勿使用可能導致產品所用的封裝材料,終端,組件,玻璃材料以及氣相沉積材料等受到腐蝕的膠粘劑.(比如,氯基膠粘劑可能腐蝕一個晶體單元的金屬“蓋”,從而破壞密封質量,降低性能.)
5:鹵化合物
請勿在鹵素氣體環境下使用產品.即使少量的鹵素氣體,比如在空氣中的氯氣內或封裝所用金屬部件內,都可能產生腐蝕.同時,請勿使用任何會釋放出鹵素氣體的樹脂.
6:靜電
過高的靜電可能會損壞產品,請注意抗靜電條件.請為容器和封裝材料選擇導電材料.在處理的時候,請使用電焊槍和無高電壓泄漏的測量電路,并進行接地操作.
NDK晶體承諾所有的運作皆遵守本地國家的法律,并符合國際上所共同認知環保與社會責任的標準,成為一個創造股東最大權益、照顧員工、善盡社會責任的好公司.我們將持續關注企業社會責任各項新議題,使本公司更加完整并落實企2003年通過ISO14001環境管理系統驗證,秉持“污染預防、持續改善”之原則,公司事業廢棄物產出量逐年降低,可回收、再利用之廢棄物比例逐年提高,各項排放檢測數據符合政府法規要求.并由原材料管控禁用或限用環境危害物質與國際大廠對于綠色生產及綠色產品的要求相符,于2004年通過SONY 綠色伙伴(Green Partner)驗證.
NDK的發展:
1948 年 在東京都中央區日本橋設立南部商工株式會社
1949 年 開始晶體諧振器的制造、銷售
1950 年 公司名變更為日本電波工業株式會社
總公司遷移登記至東京都涉谷區大山町
1954 年 建設、遷移總公司及工廠至東京都涉谷區代代木新町(現為 涉谷區西原)
1959 年 開始晶體濾波器的制造
1960 年 開始晶體振蕩器的制造
1976 年 在宮城縣古川市(現為 大崎市)建立古川NDK株式會社
1979 年 在馬來西亞建立Asian NDK Crystal Sdn. Bhd.
為取得更大發展而解散美國辦事處,設立NDK America, Inc.
1985 年 狹山事業所主樓竣工
1986 年 在愛知縣岡崎市設立中部營業所
在馬來西亞建立Malaysian Quartz Crystal Sdn. Bhd.(現為 NDK Quartz Malaysia Sdn. Bhd.)
狹山事業所新館竣工
2002 年 NDK America, Inc. 的總公司辦公室搬至美國伊利諾斯州
在美國伊利諾斯州成立NDK America, Inc.
在北海道函館市建立NRS Technologies Inc.
在中國上海設立日電波水晶(上海)貿易有限公司
2004 年 在北海道千歲市成立千歲技術中心
2005 年 函館NDK吸收合并NRS Technologies Inc.
總公司搬至東京都涉谷區笹塚
億金電子致力于:以先進壓電石英晶體元器件,晶振,有源晶振,陶瓷晶振,表晶32.768K等器件的專業開發生產為主的經營發展之路.重點開發和生產中高精密的晶體諧振器,普通晶體振蕩器(PXO),壓控晶體振蕩器(VCXO),溫補晶體振蕩器(TCXO),恒溫晶體振蕩器(OCXO),貼片晶振,陶瓷諧振器等.產品主要面向為國內通信,衛星導航,GPS,車載多媒體,電腦主板,筆記本,電子數碼選擇應用領域,以及出口的海外客戶需求.我們除在本地建有工廠,聯合產品實驗室和簽約配套協作廠商外.公司還代理銷售日本進口石英晶振,陶瓷晶振系列.企業同時擁有萬級的晶體元件超凈生產間,并且從國外引進業界領先的晶振自動測試系統,日本全自動生產檢測電腦儀器設備,和瑞士ERC公司銣原子頻標的工廠頻率基準,頻譜分析儀,網絡分析儀,合成信號源等高端儀器設備.
聯系人:鐘洋公司:深圳市億金電子有限公司
SHENZHEN YIJIN ELECTRONICS CO;LTD
電話:0755-27876565
手機:18924600166
QQ:857950243
郵箱:yijindz@163.com
網站:http://www.worldtalentltd.com
地址:廣東省深圳市寶安區新安107國道旁