陶瓷霧化片 Atomization Piece
陶瓷晶振 Ceramic SMD crystal
陶瓷濾波器 CeramicFilter
聲表面濾波器|諧振器 SAW filter
千赫晶體KHZ KHz Crystal
石英晶振 Quartz Crystal
貼片晶振 SMD crystal
NJR晶振
應達利晶振
日本大真空晶體 KDS晶振
精工晶振 SEIKO晶體
日本村田陶瓷晶振
西鐵城晶振 CITIZEN晶振
愛普生晶振 EPSON晶振
NSK晶振 NSK晶振
大河晶振 大河晶振
CTS晶振 美國CTS晶振
TXC晶振 TXC晶振
鴻星晶振 鴻星晶振
加高晶振 加高晶振
百利通亞陶晶振 百利通亞陶晶振
泰藝晶振 泰藝晶振
京瓷晶振 京瓷晶振
NDK晶振 NDK晶振
希華晶振 希華晶振
富士晶振 富士晶振
MERCURY晶振
NAKA晶振
SMI晶振
安基晶振
NKG晶振
Renesas瑞薩晶振
ITTI晶振
CTS晶振
Abracon晶振
微晶晶振
瑞康晶振
FOX晶振
Statek晶振
ECS晶振
IDT晶振
高利奇晶振
SiTime晶振
日蝕晶振
康納溫菲爾德晶振
Jauch晶振
維管晶振
拉隆晶振
格林雷晶振
Pletronics晶振
AEK晶振
AEL晶振
Cardinal晶振
Crystek晶振
Euroquartz晶振
Frequency晶振
GEYER晶振
ILSI晶振
KVG晶振
MMDCOMP晶振
MtronPTI晶振
QANTEK晶振
QuartzCom晶振
QuartzChnik晶振
SUNTSU晶振
Transko晶振
WI2WI晶振
韓國三呢晶振
ARGO晶振
ACT晶振
Milliren晶振
韓國Lihom晶振
rubyquartz晶振
美國Oscilent晶振
韓國SHINSUNG晶振
PDI晶振
C-TECH晶振
IQD晶振
Microchip晶振
Fortiming晶振
CORE晶振
NIPPON晶振
NIC晶振
QVS晶振
Bomar晶振
Bliley晶振
GED晶振
FILTRONETICS晶振
STD晶振
Q-Tech晶振
Anderson晶振
Wenzel晶振
NEL晶振
EM晶振
德國PETERMANN晶振
荷蘭FCD-Tech晶體
HEC晶振
FMI晶振
Macrobizes晶振
德國AXTAL晶振
Silicon晶振
SKYWORKS晶振
石英晶體振蕩器 石英晶體振蕩器
壓控晶振 壓控晶振
溫補晶振 溫補晶振
壓控溫補晶振 壓控溫補晶振
恒溫晶振 恒溫晶振
差分晶振 差分晶振
32.768K有源晶振 32.768K有源晶振
座機: 0755-27876565
手機: 18924600166
E-mail:yijindz@163.com
QQ:857950243
地址:深圳市寶安區新安107國道旁甲岸路
DSV221SR石英晶體振蕩器,壓控振蕩器現貨,KDS貼片晶振價格,無鉛晶振
.jpg)
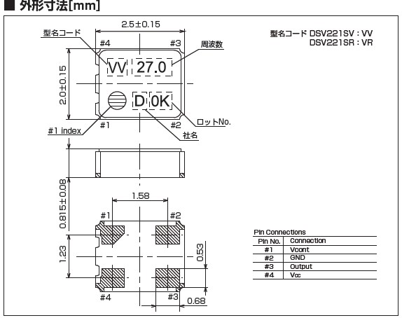
DSV221SR石英晶體振蕩器,壓控振蕩器現貨,KDS貼片晶振價格,無鉛晶振,大真空主要生產晶振,貼片晶振,石英晶體諧振器,水晶振動子,手表,液晶模塊,以及技術開發新型的電子元器件等產品.大真空有源晶振,壓控晶振,VC-TCXO晶體振蕩器產品,電源電壓的低電耗型,編帶包裝方式,可對應自動高速貼片機自動焊接,及IR回流焊接(無鉛對應),為無鉛產品,超小型,質地輕.產品被廣泛應用到集成電路,程控交換系統,無線發射基站.

項目 | 記 號 | DSV221SR | 條 件 |
頻率 | f_nom | 7.5~60MHZ | |
頻率容許偏差 | f_tol | ±20x10−6, ±50x10−6 | |
頂點溫度 | Ti | +25±5°C | |
二級溫度系數 | B | (−3.5±1.0)x10−8/°C2 | |
負載容量 | CL | 7.0pF/9.0pF/12.5pF | |
串聯電阻 | R1 | 65kÙ 最大值 | |
絕對最大激勵等級 | DLmax. | 1μW | |
推薦激勵等級 | DL | 0.1μW | |
并聯電容 | C0 | 0.8pF 典型值 | |
頻率老化程度 | f_age | ±3x10-6 | +25±3°C,第一年 |
工作溫度范圍 | T_use | -40°C~+85°C | |
保存溫度范圍 | T_stg | -40°C~+125°C | 單件保管 |
.jpg)

.jpg)
當日本大真空晶體產品上存在任何給定沖擊或受到周期性機械振動時,比如:壓電揚聲器,壓電蜂鳴器,以及喇叭等,輸出頻率和幅度會受到影響.這種現象對通信器材通信質量有影響.盡管晶體產品設計可最小化這種機械振動的影響,我們推薦事先檢查并按照下列安裝指南進行操作. 設計指導:
(1) 理想情況下,機械蜂鳴器應安裝在一個獨立于晶體器件的PCB板上.如果您安裝在同一個PCB板上,最好使用余量或切割PCB.當應用于PCB板本身或PCB板體內部時,機械振動程度有所不同.建議遵照內部板體特性.
(2) 在設計時請參考相應的推薦封裝.
(3) 在使用焊料助焊劑時,按JIS標準(JIS C 60068-2-20/IEC 60,068-2-20).來使用.
(4) 請按JIS標準(JIS Z 3282, Pb 含量 1000ppm, 0.1wt% 或更少)來使用無鉛焊料.
.jpg)
KDS日本大真空晶體集團公司在2008年發布,研發并且已經出樣的小型貼片有源晶振【TCXO】,產品應用到GPS設備,小型高精度SMD溫度補償晶體振蕩器DSB321SDA/DSB221SDA,同時發布可以接受訂單.(通過校正以高精度的石英晶體振蕩器的頻率變化引起的晶體振蕩器的溫度,因為SMD TCXO產品精度高)是內置高精度SMD溫度補償的石英晶體振蕩器,可以使用在全球衛星GPS接收機.目前產品的精度,已經溫度頻率范圍, DSB321SD +85℃±頻率溫度穩定度0.5×10-6/-30℃?GPS相關設備,同一時間,KDS技術部門實驗兼容低電壓的工作,這是在GPS接收器中要使用的IC的趨勢.此款溫補晶振可以在1.8 V操作,也可以在很寬的電壓范圍工作+3.6 V +1.7 V?一樣,也可以用正常使用.
KDS晶振產品面向社會備受電子元器件市場青睞,不斷努力不斷創新給社會創造價值這離不開廣大消費者的支持與厚愛.在此鄭重聲明本集團以下簡稱(KDS)在中國的代理商除了北京中國電子研究院,廣州電子研究所,深圳市億金電子有限公司,香港KDS辦事處,臺灣KDS辦事處,是正規的代理銷售企業,其余地區以及公司,個人所銷售的KDS產品均不能保證是原裝正品,為了保證各個消費者的產品質量請您選擇正規渠道定制石英進口晶振.


勞工職業安全衛生議題近年成為世界各國及企業關注焦點,如何做到‘降低職業災害發生、確保工作場所安全、實施員工健康管理’一直大真空晶體努力的方向,公司于2008年12月通過OHSAS18001職業安全衛生管理系統驗證,提供勞工符合系統要求的安全衛生工作環境.
.jpg)
.jpg)
公司:深圳市億金電子有限公司
SHENZHEN YIJIN ELECTRONICS CO;LTD
電話:0755-27876565
手機:18924600166
QQ:857950243
郵箱:yijindz@163.com
網站:http://www.worldtalentltd.com
地址:廣東省深圳市寶安區新安107國道旁
SHENZHEN YIJIN ELECTRONICS CO;LTD
電話:0755-27876565
手機:18924600166
QQ:857950243
郵箱:yijindz@163.com
網站:http://www.worldtalentltd.com
地址:廣東省深圳市寶安區新安107國道旁