探究遙控器的走向
來源:http://www.worldtalentltd.com 作者:yijindz 2014年01月04
.jpg)
遙控器是一種無線發射裝置,它通過現代的數字編碼技術將按鍵信息進行編碼;通過紅外線二極管發射光波,光波經接收機的紅外線接收器將收到的紅外信號變成電信號,進處理器進行解碼,解調出相應的指令來達到控制機頂盒等設備完成所需的操作要求.遙控器對于我們來說都并不陌生,無論是電視遙控器、玩具遙控器還是空調遙控器我們都很熟悉,它們都是我們日常中隨處可見的.而它的發展歷程也是很漫長的,以下簡單地介紹一下其發展的歷程.
1.1950年 首款有線/無線遙控器誕生;
2.1956年 超聲波遙控器誕生;
3.1961年 真正意義上的無線遙控器;
4.1980年 紅外線遙控器的普及(成本低);
5.2007年 RF射頻遙控器的發布.
這些記錄遙控器發展的時段并不像我們所說的那么簡單,它的漫長時日與復雜的改變并不是我們能夠用一言一語來記錄的.然而現在的遙控器不管怎么發展,它最主要的核心零件還是不能夠缺少的,其中陶瓷晶振也是必不可少的零件之一.

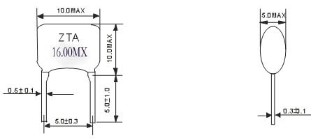
晶振又成為諧振器,諧振器就是指產生諧振頻率的電子元件,通常諧振器又分為石英晶振和陶瓷晶振(中國大部分生產商都稱之為陶振).其作用是產生頻率.具有穩定性和抗干擾性能等特點.而我們日常生活中看電視時總是離不開遙控器,遙控器里就有一顆陶瓷晶振.它是屬于壓電材料頻率元件,常規的可分為壓電陶瓷材料(即壓電陶瓷晶體)和壓電石英材料.陶瓷晶振又分為插件晶振和貼片晶振;一般遙控晶振常用的國產比較多,對于質量有所要求的當然是進口晶振比較好.這里陶瓷晶振就是CPU的電路心臟,用它來提供脈沖信號(即為時鐘信號),有了這個信號電路的控制器才能工作;簡單地來說就是產生遙控發射器的頻率,去控制接收頭.假使晶振壞掉了那么遙控器就不能夠工作了.電視遙控器用的基本都是三腳陶瓷晶振(如下圖所示)


1. 用最簡單的頻率計檢測晶振的頻率;
2. 使用解碼器檢測遙控器發出來的碼值是否正確;
3.試用萬用表檢測晶振的靜電容,一般在300pf正負20%;
4.用晶振儀來測量晶振.
.jpg)
遙控器壞了可以修或者買個萬能的.假若需要修遙控器的話,我們則要判斷遙控器是哪里壞,才能找到修理的方法.首先我們可以找個照相手機打開照相功能,鏡頭對著遙控器發射管,按動按鍵,看有無白色的光閃爍,有的話那么就問題不大;假如沒有的話就先換電池,再看看電池的通篇是否被腐蝕斷掉等.其次拆開來看,看有沒有元件松動,面板有沒有裂紋.最后就是換發射管和遙控器晶振了,看這兩者是不是損壞,若是損壞直接換一個就行.最糟糕的是集成塊壞了的話那么建議換一個比較好.

隨著科技的迅猛發展,現在很多的只能電視都增加了手勢控制,不少平臺上也有不少宣傳的廣告,相信也有不少人了解.甚至還有語音換臺等強大的功能.讓很多用戶十分關注.我們幻想著未來電視機無需遙控器便能夠控制,依靠語音、手勢或者攝像頭體感等方法來進行控制.又或者能夠通過虛擬軟件來進行控制.這種想法很新穎,但是普及的范圍肯定會有所限制,如老年人與兒童,這就意味著傳統的遙控器未來還是不會在短時間內消亡.然而傳統遙控器的體積和外觀上來看,日后遙控器的發展必然會從形狀上出現變革.對于遙控器日后的發展,遙控器已經不再僅僅是局限于電視機本身,從多元化發展來滿足人類的需求,這個改革是漫長的,不管傳統遙控器是否被淘汰亦或是變革,它都是我們代時變更的一個象征.總之我深信:一切皆有可能!
正在載入評論數據...
相關資訊
- [2025-09-18]丹麥格耶KX-327RF低溫車規晶振的卓越...
- [2025-04-19]泰藝電子VL系列VCXO晶振提供小于20飛...
- [2025-01-06]輕松管理EMI-泰藝電子低EMI晶振(SX與...
- [2025-01-06]用于 PCIe 6.0/5.0 汽車應用的低功耗...
- [2024-12-18]Q-Tech宣布推出AXTAL GHz系列全系列
- [2024-12-07]Silicon Labs 在 ESG 方面取得卓越成...
- [2024-12-05]高頻和低抖動的 SPXO SG2016CBN,SG25...
- [2024-12-04]Statek推出 ULPXO 超低功耗晶體振蕩器...