陶瓷霧化片 Atomization Piece
陶瓷晶振 Ceramic SMD crystal
陶瓷濾波器 CeramicFilter
聲表面濾波器|諧振器 SAW filter
千赫晶體KHZ KHz Crystal
石英晶振 Quartz Crystal
貼片晶振 SMD crystal
NJR晶振
應達利晶振
日本大真空晶體 KDS晶振
精工晶振 SEIKO晶體
日本村田陶瓷晶振
西鐵城晶振 CITIZEN晶振
愛普生晶振 EPSON晶振
NSK晶振 NSK晶振
大河晶振 大河晶振
CTS晶振 美國CTS晶振
TXC晶振 TXC晶振
鴻星晶振 鴻星晶振
加高晶振 加高晶振
百利通亞陶晶振 百利通亞陶晶振
泰藝晶振 泰藝晶振
京瓷晶振 京瓷晶振
NDK晶振 NDK晶振
希華晶振 希華晶振
富士晶振 富士晶振
MERCURY晶振
NAKA晶振
SMI晶振
安基晶振
NKG晶振
Renesas瑞薩晶振
ITTI晶振
CTS晶振
Abracon晶振
微晶晶振
瑞康晶振
FOX晶振
Statek晶振
ECS晶振
IDT晶振
高利奇晶振
SiTime晶振
日蝕晶振
康納溫菲爾德晶振
Jauch晶振
維管晶振
拉隆晶振
格林雷晶振
Pletronics晶振
AEK晶振
AEL晶振
Cardinal晶振
Crystek晶振
Euroquartz晶振
Frequency晶振
GEYER晶振
ILSI晶振
KVG晶振
MMDCOMP晶振
MtronPTI晶振
QANTEK晶振
QuartzCom晶振
QuartzChnik晶振
SUNTSU晶振
Transko晶振
WI2WI晶振
韓國三呢晶振
ARGO晶振
ACT晶振
Milliren晶振
韓國Lihom晶振
rubyquartz晶振
美國Oscilent晶振
韓國SHINSUNG晶振
PDI晶振
C-TECH晶振
IQD晶振
Microchip晶振
Fortiming晶振
CORE晶振
NIPPON晶振
NIC晶振
QVS晶振
Bomar晶振
Bliley晶振
GED晶振
FILTRONETICS晶振
STD晶振
Q-Tech晶振
Anderson晶振
Wenzel晶振
NEL晶振
EM晶振
德國PETERMANN晶振
荷蘭FCD-Tech晶體
HEC晶振
FMI晶振
Macrobizes晶振
德國AXTAL晶振
Silicon晶振
SKYWORKS晶振
石英晶體振蕩器 石英晶體振蕩器
壓控晶振 壓控晶振
溫補晶振 溫補晶振
壓控溫補晶振 壓控溫補晶振
恒溫晶振 恒溫晶振
差分晶振 差分晶振
32.768K有源晶振 32.768K有源晶振
座機: 0755-27876565
手機: 18924600166
E-mail:yijindz@163.com
QQ:857950243
地址:深圳市寶安區新安107國道旁甲岸路
XRCGE20M000F3A1AR0,Murata村田晶振,耐高溫晶振
.png)
.png)
XRCGE20M000F3A1AR0,Murata村田晶振,耐高溫晶振
該晶振憑借日本村田晶振專屬的耐高溫材料配方與特殊封裝工藝,具備遠超普通晶振的耐高溫特性,其工作溫度范圍可穩定覆蓋-40℃的低溫極限至+125℃的高溫峰值(具體參數需以官方最新規格書為準).這一性能使其在極端環境中展現出極強的適應性:例如在汽車發動機艙內,當發動機運轉產生的熱量使周邊溫度升至100℃以上時,該晶振仍能保持穩定振蕩,確保車載ECU對發動機工況的精準調控,在工業高溫生產車間,如鋼鐵冶煉設備的控制模塊中,即便環境溫度長期維持在90℃左右,晶振也不會出現頻率漂移或功能失效,有效避免因元器件故障導致的生產中斷.此外,在戶外太陽能逆變器,高溫環境下運行的醫療設備專用晶振等場景中,其耐高溫優勢同樣能為設備持續穩定工作提供關鍵保障,徹底解決傳統晶振在高溫工況下"壽命短,易故障"的痛點.
.png)
.png)
XRCGE20M000F3A1AR0,Murata村田晶振,耐高溫晶振
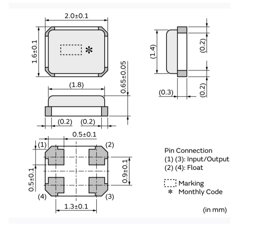
原廠型號 Originalmodel: | XRCGE20M000F3A1AR0 | 品牌brand: | Murata村田晶振 |
品牌brand: | Murata村田晶振 | ESR(等效串聯電阻)Resistance) | 150 Ohms |
型號名稱 Modelname: | XRCFD | 溫度OperatingTemperature | -40°C~125°C |
Type系列: | MHz Crystal | 腳位Termination: | 4pad |
頻率 frequency: | 20 MHz | 封裝類型PackageType: | 4-smd |
FrequencyStability頻率穩定度 | ±45ppm | 高度PackageHeight: | 0.70mm |
frequencytolerance頻率容差 | ±30ppm | 最小包裝數MPQ: | 3000 |
Loadcapacitance 負載電容 | 6pF | 包裝Packaging: | TapeandReel |
Size/Dimension尺寸 | 2.00mm x 1.60mm | 安裝方式MountingStyle: | SurfaceMount |
.png)
.png)
XRCGE20M000F3A1AR0,Murata村田晶振,耐高溫晶振

XRCGE20M000F3A1AR0,Murata村田晶振,耐高溫晶振
XRCGB25M000F3M00R0 | Murata村田晶振 | XRCGB | 25 MHz | ±40ppm | ±30ppm | 6pF | 150 Ohms |
XRCGB27M120F3M00R0 | Murata村田晶振 | XRCGB | 27.12 MHz | ±40ppm | ±30ppm | 6pF | 150 Ohms |
XRCGB24M000F3M00R0 | Murata村田晶振 | XRCGB | 24 MHz | ±40ppm | ±30ppm | 6pF | 150 Ohms |
XRCGB24M000F2P00R0 | Murata村田晶振 | XRCGB | 24 MHz | ±20ppm | ±20ppm | 6pF | 150 Ohms |
XRCGB32M000F1H01R0 | Murata村田晶振 | - | 32 MHz | ±10ppm | ±10ppm | 8pF | 60 Ohms |
XRCGB32M000F1H00R0 | Murata村田晶振 | XRCGB | 32 MHz | ±10ppm | ±10ppm | 6pF | 60 Ohms |
XRCGB25M000F3A00R0 | Murata村田晶振 | XRCGB | 25 MHz | ±35ppm | ±35ppm | 6pF | 100 Ohms |
XRCGB24M000F0L00R0 | Murata村田晶振 | XRCGB | 24 MHz | ±50ppm | ±100ppm | 6pF | 150 Ohms |
XRCGB48M000F4M00R0 | Murata村田晶振 | XRCGB | 48 MHz | ±40ppm | ±45ppm | 6pF | 100 Ohms |
XRCGB24M000F3N00R0 | Murata村田晶振 | XRCGB | 24 MHz | ±30ppm | ±30ppm | 6pF | 150 Ohms |
XRCGB27M120F3M10R0 | Murata村田晶振 | XRCGB | 27.12 MHz | ±40ppm | ±30ppm | 10pF | 80 Ohms |
XRCGB25M000F3M18R0 | Murata村田晶振 | - | 25 MHz | ±40ppm | ±30ppm | 12pF | 80 Ohms |
XRCGB32M000F2P01R0 | Murata村田晶振 | - | 32 MHz | ±20ppm | ±20ppm | 8pF | 100 Ohms |
XRCGB32M000F2P00R0 | Murata村田晶振 | XRCGB | 32 MHz | ±20ppm | ±20ppm | 6pF | 100 Ohms |
XRCGB25M000F2P02R0 | Murata村田晶振 | - | 25 MHz | ±20ppm | ±20ppm | 10pF | 150 Ohms |
XRCGB27M120F2P00R0 | Murata村田晶振 | XRCGB | 27.12 MHz | ±20ppm | ±20ppm | 6pF | 150 Ohms |
XRCGB25M000F2P00R0 | Murata村田晶振 | XRCGB | 25 MHz | ±20ppm | ±20ppm | 6pF | 150 Ohms |
XRCGB24M000F2P01R0 | Murata村田晶振 | - | 24 MHz | ±20ppm | ±20ppm | 8pF | 150 Ohms |
XRCGB27M120F3M13R0 | Murata村田晶振 | - | 27.12 MHz | ±40ppm | ±30ppm | 10pF | 60 Ohms |
XRCGB32M000F2P2CR0 | Murata村田晶振 | XRCGB | 32 MHz | ±20ppm | ±20ppm | 8pF | 70 Ohms |
XRCGB32M000FBH50R0 | Murata村田晶振 | - | 32 MHz | ±10ppm | ±15ppm | 10pF | 60 Ohms |
XRCGB24M000F2P91R0 | Murata村田晶振 | XRCGB | 24 MHz | ±20ppm | ±20ppm | 8pF | 60 Ohms |
XRCGB16M000FXN00R0 | Murata村田晶振 | - | 16 MHz | ±40ppm | ±40ppm | 6pF | 200 Ohms |
XRCGB32M000F1H02R0 | Murata村田晶振 | - | 32 MHz | ±10ppm | ±10ppm | 10pF | 60 Ohms |
XRCGB32M000F1H19R0 | Murata村田晶振 | - | 32 MHz | ±10ppm | ±10ppm | 6pF | 50 Ohms |
XRCGB40M000F5A00R0 | Murata村田晶振 | - | 40 MHz | ±65ppm | ±50ppm | 6pF | 70 Ohms |
XRCGB24M000F3A00R0 | Murata村田晶振 | XRCGB | 24 MHz | ±35ppm | ±30ppm | 6pF | 120 Ohms |
XRCGB27M120F3A00R0 | Murata村田晶振 | XRCGB | 27.12 MHz | ±35ppm | ±30ppm | 6pF | 80 Ohms |
XRCGB25M000F3A01R0 | Murata村田晶振 | XRCGB | 25 MHz | ±35ppm | ±30ppm | 8pF | 100 Ohms |
XRCGB48M000F5A00R0 | Murata村田晶振 | - | 48 MHz | ±65ppm | ±50ppm | 6pF | 60 Ohms |
XRCGE25M000FBA1AR0 | Murata村田晶振 | XRCFD | 25 MHz | ±35ppm | ±15ppm | 6pF | 100 Ohms |
XRCHA20M000F0A01R0 | Murata村田晶振 | XRCHA | 20 MHz | ±100ppm | ±100ppm | 8pF | 80 Ohms |
XRCGB27M120F0L00R0 | Murata村田晶振 | - | 27.12 MHz | ±50ppm | ±100ppm | 6pF | 150 Ohms |
XRCGB32M000F0L00R0 | Murata村田晶振 | - | 32 MHz | ±50ppm | ±100ppm | 6pF | 100 Ohms |
XRCGB24M000FAN00R0 | Murata村田晶振 | XRCGB | 24 MHz | ±40ppm | ±25ppm | 6pF | 150 Ohms |
XRCGB38M400F4M00R0 | Murata村田晶振 | - | 38.4 MHz | ±40ppm | ±45ppm | 6pF | 100 Ohms |
XRCGB50M000F4M00R0 | Murata村田晶振 | - | 50 MHz | ±40ppm | ±45ppm | 6pF | 65 Ohms |
XRCGB32M000F3M00R0 | Murata村田晶振 | - | 32 MHz | ±40ppm | ±30ppm | 6pF | 100 Ohms |
XRCGB24M000F3M13R0 | Murata村田晶振 | XRCGB | 24 MHz | ±40ppm | ±30ppm | 6pF | 150 Ohms |
XRCGB32M000F2P02R0 | Murata村田晶振 | - | 32 MHz | ±20ppm | ±20ppm | 10pF | 100 Ohms |
XRCGB30M000F2P00R0 | Murata村田晶振 | XRCGB | 30 MHz | ±20ppm | ±20ppm | 6pF | 100 Ohms |
XRCGB27M120F2P02R0 | Murata村田晶振 | - | 27.12 MHz | ±20ppm | ±20ppm | 10pF | 150 Ohms |
XRCGB32M000F2P26R0 | Murata村田晶振 | - | 32 MHz | ±20ppm | ±20ppm | 5pF | 70 Ohms |
XRCGB31M250F2P00R0 | Murata村田晶振 | XRCGB | 31.25 MHz | ±20ppm | ±20ppm | 6pF | 100 Ohms |
XRCGB27M120F3G00R0 | Murata村田晶振 | - | 27.12 MHz | ±50ppm | ±30ppm | 6pF | 150 Ohms |
XRCGB16M000FXN22R0 | Murata村田晶振 | XRCGB | 16 MHz | ±40ppm | ±40ppm | 8pF | 200 Ohms |
XRCGB27M600F2C00R0 | Murata村田晶振 | - | 27.6 MHz | ±20ppm | ±20ppm | 6pF | 80 Ohms |
XRCGB24M000F1H01R0 | Murata村田晶振 | - | 24 MHz | ±10ppm | ±10ppm | 8pF | 80 Ohms |
XRCGB26M000F1H02R0 | Murata村田晶振 | - | 26 MHz | ±10ppm | ±10ppm | 10pF | 60 Ohms |
XRCGB24M000F1H70R0 | Murata村田晶振 | - | 24 MHz | ±20ppm | ±10ppm | 6pF | 80 Ohms |
XRCGB32M000F1H83R0 | Murata村田晶振 | - | 32 MHz | ±15ppm | ±10ppm | 9pF | 60 Ohms |
XRCGE27M000FBA1AR0 | Murata村田晶振 | XRCGE | 27 MHz | ±35ppm | ±15ppm | 6pF | 80 Ohms |
XRCGB26M000F3A00R0 | Murata村田晶振 | - | 26 MHz | ±35ppm | ±30ppm | 6pF | 80 Ohms |
XRCGE26M000FBA1BR0 | Murata村田晶振 | XRCGE | 26 MHz | ±35ppm | ±15ppm | 8pF | 80 Ohms |
XRCGE20M000F3A1AR0 | Murata村田晶振 | XRCFD | 20 MHz | ±45ppm | ±30ppm | 6pF | 150 Ohms |
XRCGB24M000F2A01R0 | Murata村田晶振 | XRCGB | 24 MHz | ±35ppm | ±20ppm | 8pF | 120 Ohms |
XRCGB27M120F3P00R0 | Murata村田晶振 | - | 27.12 MHz | ±20ppm | ±30ppm | 6pF | 150 Ohms |
XRCGB32M000F2P55R0 | Murata村田晶振 | XRCGB | 32 MHz | ±20ppm | ±20ppm | 6pF | 80 Ohms |
XRCPB26M000F2P00R0 | Murata村田晶振 | XRCPB | 26 MHz | ±20ppm | ±20ppm | 6pF | 150 Ohms |
XRCGB32M000F1H18R0 | Murata村田晶振 | XRCFD | 32 MHz | ±15ppm | ±10ppm | 9pF | 40 Ohms |
.png)
.png)
公司:深圳市億金電子有限公司
SHENZHEN YIJIN ELECTRONICS CO;LTD
電話:0755-27876565
手機:18924600166
QQ:857950243
郵箱:yijindz@163.com
網站:http://www.worldtalentltd.com
地址:廣東省深圳市寶安區新安107國道旁