陶瓷霧化片 Atomization Piece
陶瓷晶振 Ceramic SMD crystal
陶瓷濾波器 CeramicFilter
聲表面濾波器|諧振器 SAW filter
千赫晶體KHZ KHz Crystal
石英晶振 Quartz Crystal
貼片晶振 SMD crystal
NJR晶振
應達利晶振
日本大真空晶體 KDS晶振
精工晶振 SEIKO晶體
日本村田陶瓷晶振
西鐵城晶振 CITIZEN晶振
愛普生晶振 EPSON晶振
NSK晶振 NSK晶振
大河晶振 大河晶振
CTS晶振 美國CTS晶振
TXC晶振 TXC晶振
鴻星晶振 鴻星晶振
加高晶振 加高晶振
百利通亞陶晶振 百利通亞陶晶振
泰藝晶振 泰藝晶振
京瓷晶振 京瓷晶振
NDK晶振 NDK晶振
希華晶振 希華晶振
富士晶振 富士晶振
MERCURY晶振
NAKA晶振
SMI晶振
安基晶振
NKG晶振
Renesas瑞薩晶振
ITTI晶振
CTS晶振
Abracon晶振
微晶晶振
瑞康晶振
FOX晶振
Statek晶振
ECS晶振
IDT晶振
高利奇晶振
SiTime晶振
日蝕晶振
康納溫菲爾德晶振
Jauch晶振
維管晶振
拉隆晶振
格林雷晶振
Pletronics晶振
AEK晶振
AEL晶振
Cardinal晶振
Crystek晶振
Euroquartz晶振
Frequency晶振
GEYER晶振
ILSI晶振
KVG晶振
MMDCOMP晶振
MtronPTI晶振
QANTEK晶振
QuartzCom晶振
QuartzChnik晶振
SUNTSU晶振
Transko晶振
WI2WI晶振
韓國三呢晶振
ARGO晶振
ACT晶振
Milliren晶振
韓國Lihom晶振
rubyquartz晶振
美國Oscilent晶振
韓國SHINSUNG晶振
PDI晶振
C-TECH晶振
IQD晶振
Microchip晶振
Fortiming晶振
CORE晶振
NIPPON晶振
NIC晶振
QVS晶振
Bomar晶振
Bliley晶振
GED晶振
FILTRONETICS晶振
STD晶振
Q-Tech晶振
Anderson晶振
Wenzel晶振
NEL晶振
EM晶振
德國PETERMANN晶振
荷蘭FCD-Tech晶體
HEC晶振
FMI晶振
Macrobizes晶振
德國AXTAL晶振
Silicon晶振
SKYWORKS晶振
石英晶體振蕩器 石英晶體振蕩器
壓控晶振 壓控晶振
溫補晶振 溫補晶振
壓控溫補晶振 壓控溫補晶振
恒溫晶振 恒溫晶振
差分晶振 差分晶振
32.768K有源晶振 32.768K有源晶振
座機: 0755-27876565
手機: 18924600166
E-mail:yijindz@163.com
QQ:857950243
地址:深圳市寶安區新安107國道旁甲岸路
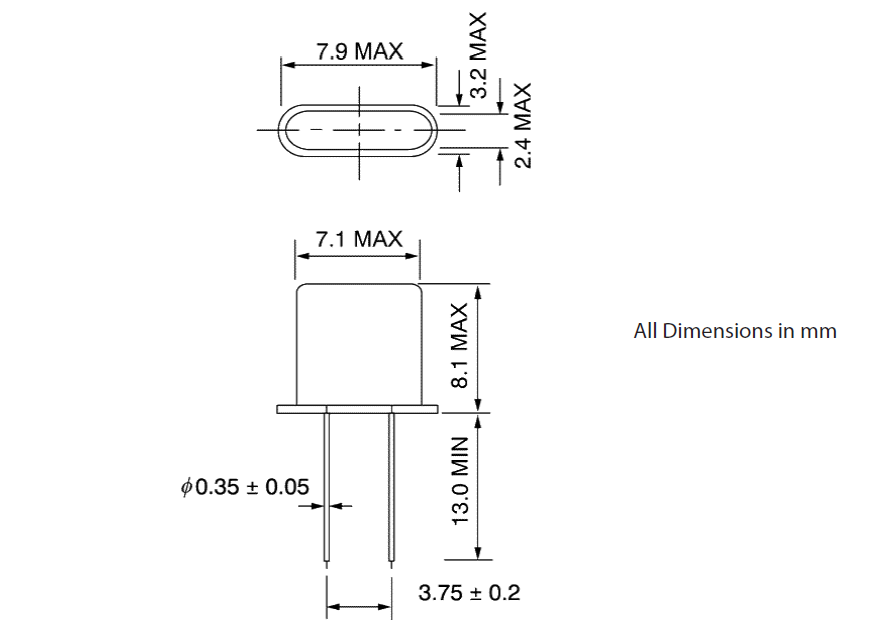
維管晶振,VXD1晶振,HC-49/U晶振
.jpg)
.jpg)
維管晶振,VXD1晶振,HC-49/U晶振小型貼片石英晶振,外觀尺寸具有薄型表面貼片型石英晶體諧振器,特別適用于有小型化要求的市場領域,比如智能手機,無線藍牙,平板電腦等電子數碼產品.晶振本身超小型,薄型,重量輕,晶體具有優良的耐環境特性,如耐熱性,耐沖擊性,在辦公自動化,家電相關電器領域及Bluetooth,Wireless LAN等短距離無線通信領域可發揮優良的電氣特性,滿足無鉛焊接的回流溫度曲線要求.
Vectron晶振公司總部設在哈德遜,在北美、歐洲和亞洲設有操作設施和銷售辦事處,在水晶振蕩器和濾鏡設計方面都以其技術能力而聞名.公司提供的創新和能力反映了高頻率、低成本設計和小型化的趨勢,以及更先進的綜合解決方案.其中一些關鍵技術包括:ASIC設計、表面安裝技術、陶瓷封裝、混合制造到類“S”、“高頻基礎”(HFF)晶體設計和空間組件能力.
使命宣言
Vectron國際晶振集團是頻率控制、傳感器和混合產品解決方案的首選技術合作伙伴.我們幫助客戶“創新、改進和發展”他們的業務.
質量宣言
Vectron晶振將繼續成為全球市場的世界級供應商,并將運用創新的、前瞻性的道德準則來滿足晶振,石英晶振,有源晶振,壓控振蕩器市場的需求.我們完全致力于認識客戶的需求,并以優質、服務、響應和規范的要求來回應這些需求.我們所有的員工都以客戶滿意度和持續改進為目標.

Parameter | |
Nominal Frequency | 7.000~200.000MHZ |
Mode | Fundamental, 3rd, 5th Overtone |
Operating Temperature Range |
0~70°C -10~70°C -20~70°C -40~85 °C |
Stability Over TOP | ±10~±100 ppm |
Load Capacitance | 6~32 PF |
Drive Level | 10~100uW |
Aging / 1st year (at 25 °C) | ±5 ppm |
Storage Temperature | -40~90°C |
Crystal Frequency (ESR)
7.000MHz-20.000MHz
20.001MHz-50.000MHz
40.001MHz-120.000MHz, 3rd Overtone
80.000MHz-200.000MHz, 5th Overtone
|
30 Ohm 25 Ohm 40 Ohm 100 Ohm |



耐焊性:維管晶振,VXD1晶振,HC-49/U晶振
將晶振加熱包裝材料至+150°C以上會破壞產品特性或損害產品.如需在+150°C以上焊接石英晶振,建議使用SMD晶振產品.在下列回流條件下,對石英晶振產品甚至SMD貼片晶振使用更高溫度,會破壞晶振特性.建議使用下列配置情況的回流條件.安裝這些貼片晶振之前,應檢查焊接溫度和時間.同時,在安裝條件更改的情況下,請再次進行檢查.如果需要焊接的晶振產品在下列配置條件下進行焊接,請聯系我們以獲取耐熱的相關信息.
(1)柱面式產品和DIP產品
晶振產品類型 | 晶振焊接條件 |
插件晶振型,是指石英晶振采用引腳直插模式的情況下 比如:橢圓形引腳插件,圓柱晶體引腳插件 |
手工焊接+300°C或低于3秒鐘 請勿加熱封裝材料超過+150°C |
SMD型貼片晶振,是指石英晶振采用SMT高速焊接,或者回流焊接情況下,有些型號晶振高溫可達260°,有些只可達230° |
+260°C或低于@最大值 10 s 請勿加熱封裝材料超過+150°C |
石英晶振自動安裝和真空化引發的沖擊會破壞產品特性并影響這些產品.請設置安裝條件以盡可能將沖擊降至最低,并確保在安裝前未對晶振特性產生影響.條件改變時,請重新檢查安裝條件.同時,在安裝前后,請確保石英晶振產品未撞擊機器或其他電路板等.
每個封裝類型的注意事項
陶瓷包裝晶振與SON產品
在焊接陶瓷封裝晶振和SON產品 (陶瓷包裝是指晶振外觀采用陶瓷制品) 之后,彎曲電路板會因機械應力而導致焊接部分剝落或封裝分裂(開裂).尤其在焊接這些產品之后進行電路板切割時,務必確保在應力較小的位置布局晶體并采用應力更小的切割方法.
陶瓷包裝石英晶振
在一個不同擴張系數電路板(環氧玻璃)上焊接陶瓷封裝石英晶振時,在溫度長時間重復變化時可能導致端子焊接部分發生斷裂,請事先檢查焊接特性.
(2)陶瓷封裝貼片晶振
在一個不同擴張系數電路板(環氧玻璃)上焊接陶瓷封裝貼片晶振時,在溫度長時間重復變化時可能導致端子焊接部分發生斷裂,請事先檢查焊接特性.
柱面式產品
產品的玻璃部分直接彎曲引腳或用力拉伸引腳會導致在引腳根部發生密封玻璃分裂(開裂),也可能導致氣密性和產品特性受到破壞.當石英晶振的引腳需彎曲成下圖所示形狀時,應在這種場景下留出0.5mm的引腳并將其托住,以免發生分裂.當該引腳需修復時,請勿拉伸,托住彎曲部分進行修正.在該密封部分上施加一定壓力,會導致氣密性受到損壞.所以在此處請不要施加壓力.另外,為避負機器共振造成引腳疲勞切斷,建議用粘著劑將產品固在定電路板上.
.jpg)
.jpg)
公司:深圳市億金電子有限公司
SHENZHEN YIJIN ELECTRONICS CO;LTD
電話:0755-27876565
手機:18924600166
QQ:857950243
郵箱:yijindz@163.com
網站:http://www.worldtalentltd.com