陶瓷霧化片 Atomization Piece
陶瓷晶振 Ceramic SMD crystal
陶瓷濾波器 CeramicFilter
聲表面濾波器|諧振器 SAW filter
千赫晶體KHZ KHz Crystal
石英晶振 Quartz Crystal
貼片晶振 SMD crystal
NJR晶振
應達利晶振
日本大真空晶體 KDS晶振
精工晶振 SEIKO晶體
日本村田陶瓷晶振
西鐵城晶振 CITIZEN晶振
愛普生晶振 EPSON晶振
NSK晶振 NSK晶振
大河晶振 大河晶振
CTS晶振 美國CTS晶振
TXC晶振 TXC晶振
鴻星晶振 鴻星晶振
加高晶振 加高晶振
百利通亞陶晶振 百利通亞陶晶振
泰藝晶振 泰藝晶振
京瓷晶振 京瓷晶振
NDK晶振 NDK晶振
希華晶振 希華晶振
富士晶振 富士晶振
MERCURY晶振
NAKA晶振
SMI晶振
安基晶振
NKG晶振
Renesas瑞薩晶振
ITTI晶振
CTS晶振
Abracon晶振
微晶晶振
瑞康晶振
FOX晶振
Statek晶振
ECS晶振
IDT晶振
高利奇晶振
SiTime晶振
日蝕晶振
康納溫菲爾德晶振
Jauch晶振
維管晶振
拉隆晶振
格林雷晶振
Pletronics晶振
AEK晶振
AEL晶振
Cardinal晶振
Crystek晶振
Euroquartz晶振
Frequency晶振
GEYER晶振
ILSI晶振
KVG晶振
MMDCOMP晶振
MtronPTI晶振
QANTEK晶振
QuartzCom晶振
QuartzChnik晶振
SUNTSU晶振
Transko晶振
WI2WI晶振
韓國三呢晶振
ARGO晶振
ACT晶振
Milliren晶振
韓國Lihom晶振
rubyquartz晶振
美國Oscilent晶振
韓國SHINSUNG晶振
PDI晶振
C-TECH晶振
IQD晶振
Microchip晶振
Fortiming晶振
CORE晶振
NIPPON晶振
NIC晶振
QVS晶振
Bomar晶振
Bliley晶振
GED晶振
FILTRONETICS晶振
STD晶振
Q-Tech晶振
Anderson晶振
Wenzel晶振
NEL晶振
EM晶振
德國PETERMANN晶振
荷蘭FCD-Tech晶體
HEC晶振
FMI晶振
Macrobizes晶振
德國AXTAL晶振
Silicon晶振
SKYWORKS晶振
石英晶體振蕩器 石英晶體振蕩器
壓控晶振 壓控晶振
溫補晶振 溫補晶振
壓控溫補晶振 壓控溫補晶振
恒溫晶振 恒溫晶振
差分晶振 差分晶振
32.768K有源晶振 32.768K有源晶振
座機: 0755-27876565
手機: 18924600166
E-mail:yijindz@163.com
QQ:857950243
地址:深圳市寶安區新安107國道旁甲岸路
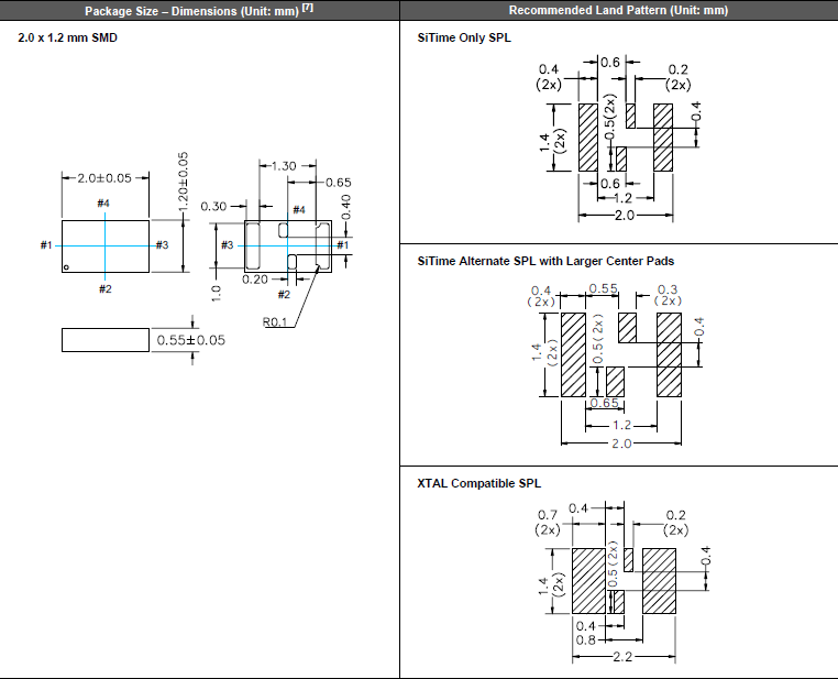
SiTime晶振,SiT1533晶振,2012有源晶振


貼片石英晶體諧振器,又簡稱為排帶包裝,這是這產品采用排帶盤式包裝,使產品在焊接時能采用SMT自動貼片機高速的焊接,大大節約人工,提高工作效率。32.768KHz千赫子時鐘晶體,其本身主要應用在時鐘控制產品,或者是控制模塊,主要給時鐘芯片提供一個基準信號,其主要各項功能還得看應用何種產品。
SiTime晶振,SiT1533晶振,2012有源晶振本產品具有小型,薄型,輕型的貼片晶振表面型音叉式石英晶體諧振器,產品具有優良的耐熱性,耐環境特性,可發揮晶振優良的電氣特性,符合RoHS規定,滿足無鉛焊接的高溫回流溫度曲線要求,金屬外殼的封裝使得產品在封裝時能發揮比陶瓷諧振器外殼更好的耐沖擊性.
SiTime晶振公司,MEMS和模擬半導體公司,提供了業界最好的時間解決方案.我們的團隊熱衷于解決高性能電子產品中最困難的時間問題.我們已經向世界各地的客戶運送了超過6.25億臺設備,占MEMS時間的90%,并且年增長率超過50%.SiTime是MegaChips公司(東京證券交易所:6875)的獨立子公司, 主要以生產高精度石英晶體振蕩器,可編程晶體振蕩器等器件為主.
在過去的幾十年里,石英晶體振蕩器、時鐘發生器和石英晶體諧振器是電子器件中主要的參考計時元件.由于沒有其他選擇,OEMs和ODMs接受了石英定時裝置固有的局限性.現在,有了強大的MEMS諧振器和高性能模擬電路,SiTime晶振公司已經開發出突破石英器件限制的突破性解決方案,研發出高性能貼片晶振,石英晶體振蕩器,可編程石英晶體振蕩器等.

Frequency and Stability | ||
Fixed Output Frequency | 32.768KHZ | |
Frequency Stability | ||
Frequency Tolerance | 20 ppm | TA = 25°C, post reflow, Vdd: 1.5V – 3.63V. |
Frequency Stability | 75 ppm | TA = -10°C to +70°C, Vdd: 1.5V – 3.63V. |
100 ppm | TA = -40°C to +85°C, Vdd: 1.5V – 3.63V. | |
250 ppm | TA = -10°C to +70°C, Vdd: 1.2V – 1.5V. | |
25°C Aging | 1 ppm | 1st Year |
Supply Voltage and Current Consumption | ||
Operating Supply Voltage | 1.2~3.63V | TA = -10°C to +70°C |
1.5~3.63V | TA = -40°C to +85°C | |
Core Operating Current | 0.9 μA | TA = 25°C, Vdd: 1.8V. No load |
1.3 μA | TA = -10°C to +70°C TA = -10°C to +70°C, Vdd max: 3.63V. No load | |
1.4 μA | TA = -40°C to +85°C, Vdd max: 3.63V. No load | |
Output Stage Operating Current | TA = -40°C to +85°C, Vdd: 1.5V – 3.63V. No load | |
Power-Supply Ramp | 100 ms | TA = -40°C to +85°C, 0 to 90% Vdd |
Start-up Time at Power-up | 180~300 ms | TA = -40°C ≤ TA ≤ +50°C, valid output |
450 ms | TA = +50°C < TA ≤ +85°C, valid output | |
Operating Temperature Range | ||
Commercial Temperature | -10~70 °C | |
Industrial Temperature | -40~85 °C |



SiTime晶振采用系統的方法來解決其產品的環境影響
開發和銷售擁有最有利的環境特性同時又滿足最高可能功效標準的晶振,石英晶振,有源晶振,壓控振蕩器,溫補晶體振蕩器(TCXO)、恒溫晶體振蕩器(OCXO)等產品。
采用對環境盡可能健康的生產工藝,SiTime晶振,SiT1533晶振,2012有源晶振
在石英水晶振蕩子,陶瓷振動子,32.768K,時鐘晶體,壓電石英晶體系列產品開發和制造過程中使用對環境健康的、可回收利用的材料
為開發高效的、對環境影響最小的運輸系統而工作
無論公司在世界何處,其經營都應保證生產過程和產品符合同等的環境標準
確保業務合作伙伴對環境問題同等關注
從事并參與環境領域的研究和開發活動
以公開和客觀的方式提供有關其環境影響的信息
SiTime晶振集團將建立可行的技術及經濟性環境目標,并確保其環境保護活動的質量.
集團公司將關注所有環境適用的法律、法規和協議的遵守情況.另外為更有效的進行環境保護,將建立自己的特有的環境標準.
集團將在各領域內的商務運作中實施持續改進,包括能源資源的保持,回收再利用以及減少晶振,石英晶振, 石英水晶振蕩子材料廢棄物等.
.jpg)
.jpg)
.jpg)
公司名稱:深圳市億金電子有限公司
SHENZHEN YIJIN ELECTRONICS CO;LTD
電話:0755-27876565
手機:18924600166
QQ :857950243
郵箱:yijindz@163.com
網站:http://www.worldtalentltd.com