陶瓷霧化片 Atomization Piece
陶瓷晶振 Ceramic SMD crystal
陶瓷濾波器 CeramicFilter
聲表面濾波器|諧振器 SAW filter
千赫晶體KHZ KHz Crystal
石英晶振 Quartz Crystal
貼片晶振 SMD crystal
NJR晶振
應達利晶振
日本大真空晶體 KDS晶振
精工晶振 SEIKO晶體
日本村田陶瓷晶振
西鐵城晶振 CITIZEN晶振
愛普生晶振 EPSON晶振
NSK晶振 NSK晶振
大河晶振 大河晶振
CTS晶振 美國CTS晶振
TXC晶振 TXC晶振
鴻星晶振 鴻星晶振
加高晶振 加高晶振
百利通亞陶晶振 百利通亞陶晶振
泰藝晶振 泰藝晶振
京瓷晶振 京瓷晶振
NDK晶振 NDK晶振
希華晶振 希華晶振
富士晶振 富士晶振
MERCURY晶振
NAKA晶振
SMI晶振
安基晶振
NKG晶振
Renesas瑞薩晶振
ITTI晶振
CTS晶振
Abracon晶振
微晶晶振
瑞康晶振
FOX晶振
Statek晶振
ECS晶振
IDT晶振
高利奇晶振
SiTime晶振
日蝕晶振
康納溫菲爾德晶振
Jauch晶振
維管晶振
拉隆晶振
格林雷晶振
Pletronics晶振
AEK晶振
AEL晶振
Cardinal晶振
Crystek晶振
Euroquartz晶振
Frequency晶振
GEYER晶振
ILSI晶振
KVG晶振
MMDCOMP晶振
MtronPTI晶振
QANTEK晶振
QuartzCom晶振
QuartzChnik晶振
SUNTSU晶振
Transko晶振
WI2WI晶振
韓國三呢晶振
ARGO晶振
ACT晶振
Milliren晶振
韓國Lihom晶振
rubyquartz晶振
美國Oscilent晶振
韓國SHINSUNG晶振
PDI晶振
C-TECH晶振
IQD晶振
Microchip晶振
Fortiming晶振
CORE晶振
NIPPON晶振
NIC晶振
QVS晶振
Bomar晶振
Bliley晶振
GED晶振
FILTRONETICS晶振
STD晶振
Q-Tech晶振
Anderson晶振
Wenzel晶振
NEL晶振
EM晶振
德國PETERMANN晶振
荷蘭FCD-Tech晶體
HEC晶振
FMI晶振
Macrobizes晶振
德國AXTAL晶振
Silicon晶振
SKYWORKS晶振
石英晶體振蕩器 石英晶體振蕩器
壓控晶振 壓控晶振
溫補晶振 溫補晶振
壓控溫補晶振 壓控溫補晶振
恒溫晶振 恒溫晶振
差分晶振 差分晶振
32.768K有源晶振 32.768K有源晶振
座機: 0755-27876565
手機: 18924600166
E-mail:yijindz@163.com
QQ:857950243
地址:深圳市寶安區新安107國道旁甲岸路
CardinalCrystal,CC85時鐘振蕩器,CC85LZ-A2BR45-26.000TS晶振

.jpg)
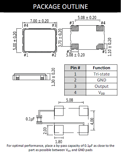
CardinalCrystal,CC85時鐘振蕩器,CC85LZ-A2BR45-26.000TS晶振,小型SMD有源晶振,從最初超大體積到現在的7050mm,6035mm,5032mm,3225mm,2520mm體積,有著翻天覆地的改變,體積的變小也使產品帶來了更高的穩定性能,接縫密封石英晶體振蕩器,精度高,覆蓋頻率范圍寬的特點,SMD高速自動安裝和高溫回流焊設計,Optionable待機輸出三態輸出功能,電源電壓范圍:1.8V~5V,高穩定性,低抖動,低功耗,主要應用領域:無線通訊,高端智能手機,平板筆記本WLAN,藍牙,數碼相機,DSL和其他IT產品的晶振應用,三態功能,PC和LCDM等高端數碼領域,符合RoHS/無鉛.
CardinalCrystal,CC85時鐘振蕩器,CC85LZ-A2BR45-26.000TS晶振,我們很高興地宣布,泰藝美國子公司Isotemp已經收購了Cardinal Components的資產。此次收購于2016年4月8日完成。Taitien是全球領先的頻率控制產品制造商,提供廣泛的貼片石英晶振,石英晶體振蕩器,VCXO,TCXO,OCXO,精密晶體和厚度監視器晶體。該公司通過了ISO 9001和TS 16949認證,在臺灣,中國和美國擁有制造,設計和應用工程資源。
Taitien成立于1976年,是石英晶體的原始制造商之一。在二十世紀九十年代初,Taitien成為VCXO有源晶振主要供應商的主要電信公司。在接下來的幾年中,泰藝投入大量資源用于研發,成為CMOS和LVPECL輸出的表面貼裝振蕩器的領先生產商之一。泰藝被認為是頻控產品的頂級制造商,為其全球客戶提供領先的解決方案。


.jpg)


Cardinal Crystal卡迪納爾晶振環保基本理念:
1.作為良好的企業市民,遵循本公司的行動方針,充分關心維護地球環境.遵守國內外的有關環保法規.
2.保護自然環境,充分關注自然生態等方面的環境保護,維持和保全生物多樣性.
3.有效利用普通晶體振蕩器(SPXO)、壓控晶體振蕩器(VCXO)壓電石英晶體、進口有源晶振資源和能源,認識到資源和能源的有限性,努力進行有效利用.CardinalCrystal,CC85時鐘振蕩器,CC85LZ-A2BR45-26.000TS晶振.
4為構建循環型社會做出貢獻,致力于減少廢棄物及廢棄物的再利用核再生循環,努力構建循環型社會.
5.推進環保型業務,充分發揮壓電石英晶振、有源晶體、晶體振蕩器, 溫補晶振,石英晶體振蕩器等器件的綜合實力,推進環保型業務,為減輕社會的環境負荷做出貢獻.
6.建立環境管理系統,充分運用環境管理系統,設定環境目的和目標,定期修正,不斷改善,努力預防環境污染.

.jpg)
.jpg)
SHENZHEN YIJIN ELECTRONICS CO;LTD
電話:0755-27876565
手機:18924600166
QQ:857950243
郵箱:yijindz@163.com
網站:http://www.worldtalentltd.com